Halbkupplung

359,20 €*

% 360,24 €* (0.29% gespart)

Bestellartikel, Lieferzeit bis zu 6 Tage

Produktnummer: 0092190
Produktinformationen "Halbkupplung"

DREHELASTISCHE HALBKUPPLUNG MIT VOLLNABE
vorgebohrt, Form B

• Vohrgebohrt (Bohrungsdurchmesser) je Type von Ø 6 - 38 mm
• Bohrungsdurchmesser maximal je Type von Ø 24 - 100 mm

Lassen sich sehr gut in Elektromotorantrieben in Dauerbetrieb, wie z.B. Pumpen und Getrieben, einsetzen.

Bezeichnung: Halbkupplung Type 90/100, Form B, vorgebohrt GG25
Verpackungsmenge: 1
Verpackungseinheit: Stück
Bohrdurchmesser maximal: 100 mm
Bohrungsdurchmesser: 38 mm
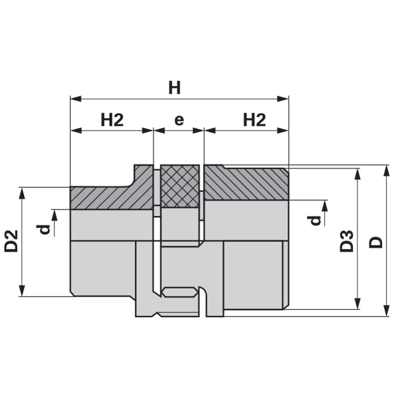
Außendurchmesser (D): 200 mm
Außendurchmesser 2 (D2): 180 mm
Außendurchmesser 3 (D3): 180 mm
Höhe (H): 245 mm
Höhe 2 (H2): 100 mm
Typ: 90/100
Werkstoff: Grauguss GG25
Mittenabstand (e): 45 mm