Kettenrad

273,23 €*

% 274,01 €* (0.28% gespart)

Bestellartikel, Lieferzeit bis zu 6 Tage

Produktnummer: 0090346
Produktinformationen "Kettenrad"

KETTENRAD FÜR EINFACHROLLENKETTE
Standard DIN 8187-ISO/R 606
passend zu Kette 24 B-1, Teilung 1 1/2\1 x 1\1 (SIMPLEX)

  • Kettenrad Simplex mit einseitigem Nabenansatz
  • Mit eingeschweißter Nabe/Material FE 50
Bezeichnung: Kettenrad simplex, 1 1/2 x 1 Zoll, 22 Zähne C45, DIN8187
Verpackungsmenge: 1
Verpackungseinheit: Stück
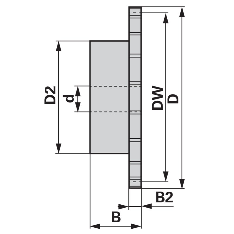
Breite (B): 60 mm
Breite 2 (B2): 24,1 mm
Wirkdurchmesser (DW): 267,73 mm
Außendurchmesser (D): 282,7 mm
Außendurchmesser 2 (D2): 150 mm
Normbezeichnung: DIN 8187
Werkstoff: Stahl C 45
Zähnezahl (Z): 22
Innendurchmesser (d): 25 mm